Класа високе тачности 0,5 - омогућава прецизно мерење тренутних за мерење и праћење апликација.
Широк распон мерења - подржава више тренутних омјера да се прилагоди различитим условима оптерећења.
Компактан и лаган дизајн - једноставан за инсталирање у уским просторима без угрожавања перформанси.
Одлична топлотна стабилност - осигурава стабилну операцију чак и под флуктуирајућим температурама.
Јака изолација и сигурност - у складу са стандардима безбедности у индустрији, нудећи поуздану заштиту од електричних грешака.
Свестране апликације - Идеално за употребу у панелима за дистрибуцију електричне енергије, индустријске аутоматизације и обновљиве енергетске системе.
Оцењена примарна струја: прилагодљива (нпр. 5а ~ 2000а)
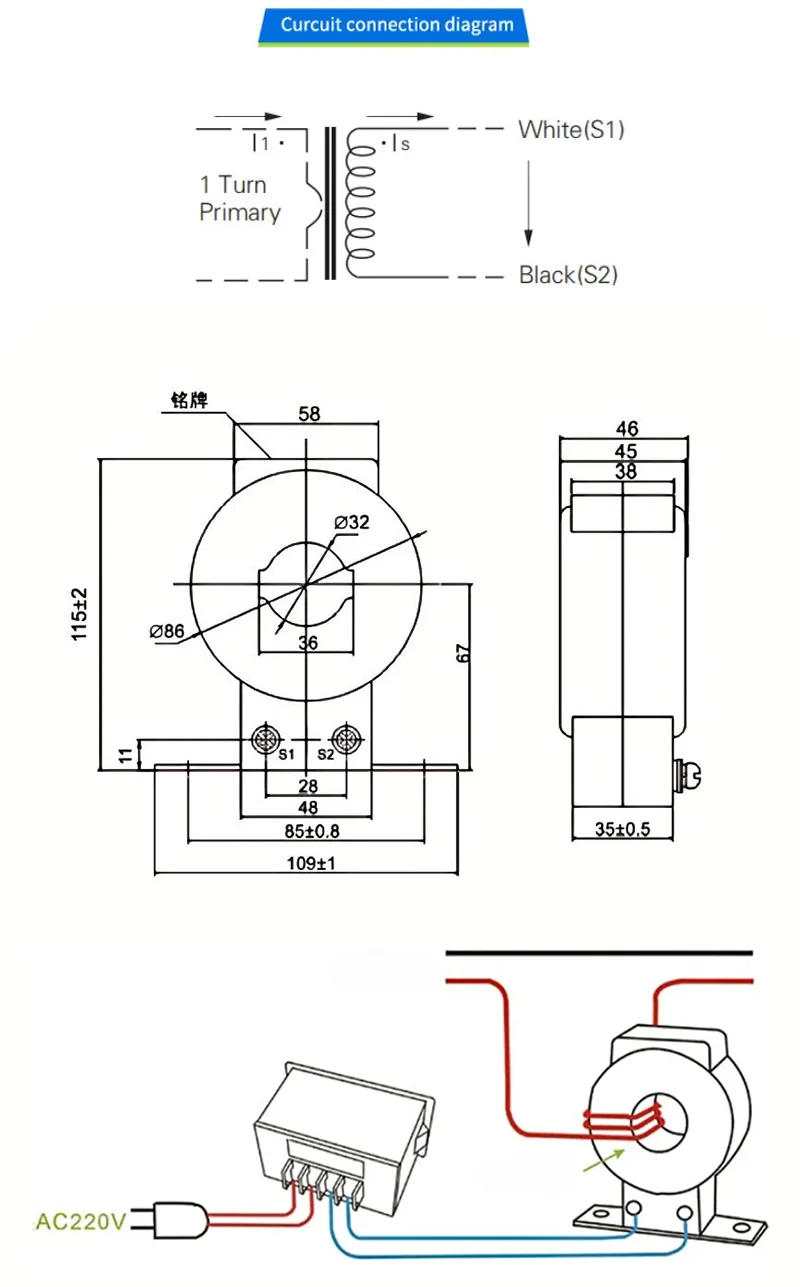
Називна секундарна струја: 5а или 1а (стандардно)
Класа тачности: 0,5
Фреквенција: 50Хз / 60Хз
Ниво изолације: до 3кВ
Радна температура: -25 ° Ц до + 70 ° Ц
МЕРЕЊЕ И МЕРЕНОВАЊЕ ГРЕНОВА И ЕНЕРГИЈЕ
Заштитни релеји и прекидачи
Индустријски и комерцијални електрични системи
Постројења за напајање соларне и ветра

Адреса
Ксиангианг Индустријска зона, Иуекинг, Зхејианг, Кина
Тел
Е-маил