Зхејианг Сехнаидер Елецтриц Цо, Лтд.
Зхејианг Сехнаидер Елецтриц Цо, Лтд.
Производи
БХ-0.66-60 ТРАНСФЕРСЕРС
  • БХ-0.66-60 ТРАНСФЕРСЕРСБХ-0.66-60 ТРАНСФЕРСЕРС

БХ-0.66-60 ТРАНСФЕРСЕРС

Трансформатори тренутка БХ-0.66-60 доноси ПЦ пламен - материјал за успоравање, а магнетни материјал је жаротворени тороидни језгро да би се осигурала тачност производа на нивоима 0,2 и 0,5. За ултра - високе нивое тачности као што су 0,2 и 0,5с, само суперпроводни магнети могу испунити такве захтеве за тачношћу.

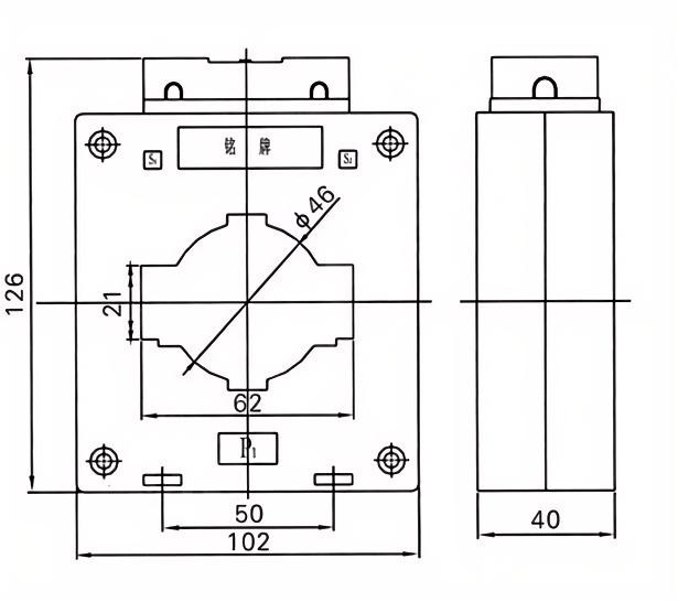
БХ-0.66-60 Трансформатори Тренутни трансформатори се примењују на напајање са називним фреквенцијом од 50Хз и називни напон од 0,66кВ, 0.69кВ, 0.5кВ и ниже за електрично мерење, текуће мерење и заштиту од преноса и релеј.


Овај тренутни трансформатор Даху је за унутрашњу употребу, инсталиран унутар дистрибутивних ормара и кутија. Садржи нови дизајн магнетног круга, напредне методе компензације, технике изврсне обраде, сигурне и поуздане перформансе и мали и леп изглед.


Спољна шкољка је направљена од пламена високе чврстоће - обмањивачки рачунар са потпуно приложеном структуром и пламеном - рејтинга В1. Интерна језгра је израђена од висококвалитетних силицијума силицијума од силицијума зрна. Пречник жице строго је изабран у складу са густином економске струје како би се осигурало мање пораста температуре. Са напредном и поузданом опремом за тестирање осигурава поштовање стандарда квалитета.


Има квадратне и округле типове рупе, погодне за једнокреветне или вишеструке пенетрације кабла кабла или пенетра сабирнице. Има комплетну серију производа, широк спецификације и широк распон апликација.


Апликације

Мониторинг и мерење енергије

Заштита круга и координација релеја

Индустријска аутоматизација и системи паметних мрежа

Техничке спецификације

Називни напон: 0.66кВ

Фреквенција: 50 / 60Хз

Класа тачности: 0,5, 1.0 (прилагодљиво)

Ниво изолације: 3кВ / мин


Главни технички параметри

Оцењени примарни
струја (а)
Тачност
часови
комбинација
Називни секундарни излаз (ВА) 1С Термална струја (КА) Оцењена динамичка струја (КА)
0.2 0.2 0.5 10п10
5-40 0.2 / 10п10
0,5 / 10п10
/ 10 10 15 90лин 220лин
5-40 100лин 250лин
5-40 20 50
5-40
5-40 36 90
10
5-40 45 100
5-40 56 100
5-40
5-40 80 110
5-40 100 110


Хот Тагс: БХ-0.66-60 ТРАНСФЕРСЕРС
Пошаљи упит
Контакт информације
  • Адреса

    Ксиангианг Индустријска зона, Иуекинг, Зхејианг, Кина

  • Е-маил

    river@dahuelec.com

Ако имате било каквих истрага о цитацији или сарадњи, слободно нам пошаљите е-пошту на Ривер@дахуелец.цом или користите следећи образац за упит. Наш продајни представник ће вас контактирати у року од 24 сата. Хвала вам на интересовању за наше производе.
X
We use cookies to offer you a better browsing experience, analyze site traffic and personalize content. By using this site, you agree to our use of cookies. Privacy Policy
Reject Accept