Зхејианг Сехнаидер Елецтриц Цо, Лтд.
Зхејианг Сехнаидер Елецтриц Цо, Лтд.
Производи
БХ-0.66-50 Трговински трансформатори
  • БХ-0.66-50 Трговински трансформаториБХ-0.66-50 Трговински трансформатори

БХ-0.66-50 Трговински трансформатори

Трансформатори програма БХ-0.66-50 су прецизни инструменти намењени прецизним мерењима и праћењу електричних струја у различитим индустријским апликацијама. Са оценом од 50а и однос трансформације од 0,66, ови трансформатори пружају поуздане и прецизне тренутне могућности мерења.

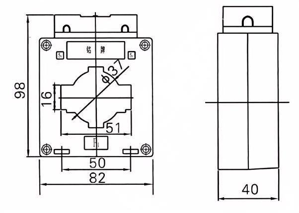
Затворени епоксидну смолу Трансформатор струје или унутрашњи трансформатор за унутрашњост пластике

• Појединачна фаза, две фазе или три фазе.

• Називни напон: 0.66кВ

• Класа за мерење за ЦТ: 0,2С, 0.2,0.5, 0.5с

• Стандард: ИЕЦ61869-2

• Упишите име: БХ-0.66-50

Овај трансформатор струје сувог типа у затвореном простору користи се у 0.66кВ, 0.75кв. Систем напајања, за мерење и заштиту.

Користи се на шкакљској опреми или у пребацивалишта у залиху.

Трансформатори струје од БХ-0.66-50 направљени су од високе температуре затворене епоксидне смоле, језгре аморфне легуре за мерење и висок квалитет унутар језгра за заштиту, примарни и секундарни чисти електролитски бакар.


Апликације:

Системи за дистрибуцију електричне енергије

Системи за управљање енергијом

Надгледање индустријске опреме

Системи обновљивих извора енергије


1. Премиум материјали

Основне језгре: прецизно ламинирано силиконски челик или нанокристална језгра за минималне губитке и високу линеарност.  

Робусна изолација: Дизајн епоксидне смоле осигуравају дугорочну стабилност у оштрим окружењима.  


2 Супериор Перформанце

Тачност: класа 0.2 / 0.5 за мерење, 5п / 10п за заштиту, у складу са ИЕЦ 61869, 60044, ИЕЕЕ и АНСИ стандардима.  

Широк распон: Подржава 0.6кВ-36кВ системе, са прилагођеним омјером / фреквенцијом (50 / 60Хз).  

Низак топлотни успон: Оптимизирани дизајн смањује прегревање, продужавајући животни век.  

ЕМЦ имунитет: Штитници против електромагнетних сметњи за поуздане сигнале.  


3. Сервис и подршка

Прилагођена решења: прилагођени омјери, величине или конектори (нпр. ДИН шина, ИЕЦ терминали).  

Глобалне сертификате: ИЕЦ, ЦЕ, ИСО и одобрења локалне мреже.  

Доживотна техничка помоћ: 24/7 Подршка, смернице за инсталацију и резервни делови снабдевање.  

Брза испорука: стандардни производи у 2-4 недеље; убрзане опције за хитне потребе.  


Главни технички параметри

Оцењени примарни
струја (а)
Тачност
часови
комбинација
Називни секундарни излаз (ВА) 1С Термална струја (КА) Оцењена динамичка струја (КА)
0.2 0.2 0.5 10п10
5-40 0.2 / 10п10
0,5 / 10п10
/ 10 10 15 90лин 220лин
5-40 100лин 250лин
5-40 20 50
5-40
5-40 36 90
10
5-40 45 100
5-40 56 100
5-40
5-40 80 110
5-40 100 110




Хот Тагс: БХ-0.66-50 Трговински трансформатори
Пошаљи упит
Контакт информације
  • Адреса

    Ксиангианг Индустријска зона, Иуекинг, Зхејианг, Кина

  • Е-маил

    river@dahuelec.com

Ако имате било каквих истрага о цитацији или сарадњи, слободно нам пошаљите е-пошту на Ривер@дахуелец.цом или користите следећи образац за упит. Наш продајни представник ће вас контактирати у року од 24 сата. Хвала вам на интересовању за наше производе.
X
Користимо колачиће да бисмо вам понудили боље искуство прегледања, анализирали саобраћај на сајту и персонализовали садржај. Коришћењем овог сајта прихватате нашу употребу колачића. Политика приватности
Одбити Прихвати